中文

QL-10

  • od平台官方官网_OD(中国)一站式服务平台图片
  • od平台官方官网_OD(中国)一站式服务平台图片
  • od平台官方官网_OD(中国)一站式服务平台图片
  • od平台官方官网_OD(中国)一站式服务平台图片

od平台官方官网_OD(中国)一站式服务平台简介

  • QL系列全向轮(omni wheel)是精密型的轻载90°全向轮,每个从动小轮内嵌入两个滚动轴承,旨在向客户提供高精密度、高品质要求的od平台官方官网_OD(中国)一站式服务平台,满足客户的各种精密应用。持续改良的QL系列全向轮,已经实现了从动小轮轴向零间隙,特别适合于各种小型机器人的驱动应用。

图纸下载 | QL-10CN 图纸下载 | QL-10CN

od平台官方官网_OD(中国)一站式服务平台特性

  • 从动小轮轴向零间隙
  • 双排多细分设计
  • 小轮内嵌双轴承设计
  • 特选的优质橡胶
  • 表面高温烤漆处理
  • 持续改良的QL系列

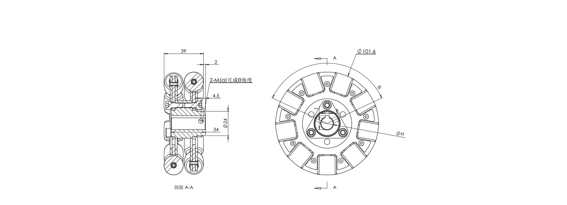
外形尺寸

od平台官方官网_OD(中国)一站式服务平台外形尺寸

规格参数

外径 101.6(4")mm 宽度 39mm
侧轮数 18 轴承数 36
轴承类型 滚动轴承 小轮材质 橡胶
轮毂材质 铝合金 轮毂表面处理 双层高温烤漆
连接形式 平键/紧定螺钉 典型中心孔 5/6/8/10/12/15/16mm
自重 340g 负载能力 30Kg
外径 101.6(4")mm
侧轮数 18
轴承类型 滚动轴承
轮毂材质 铝合金
连接形式 平键/紧定螺钉
自重 340g
宽度 39mm
轴承数 36
小轮材质 橡胶
轮毂表面处理 双层高温烤漆
典型中心孔 5/6/8/10/12/15/16mm
负载能力 30Kg